因為專業
所以領先
 
        
         
    現代功率器件仍在往大功率、易驅動和高頻化方向發展,模塊化是向高功率密度發展的重要一步。當前功率器件的主要發展趨勢如下:
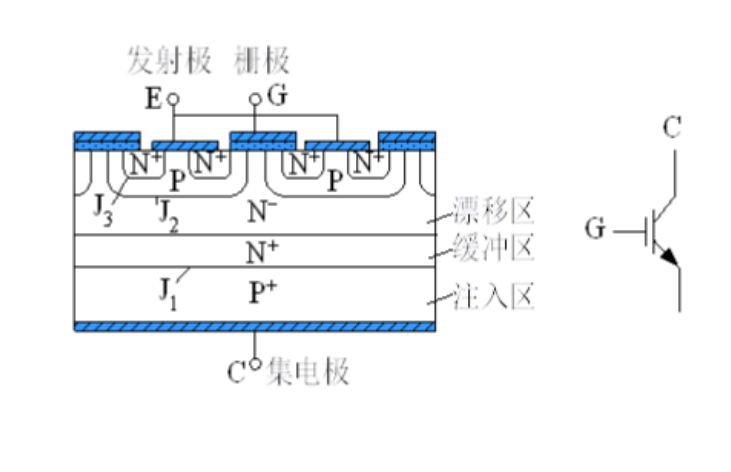
①IGBT(絕緣柵雙極晶體管):N溝道增強型場控復合器件,兼具MOSFET和雙極性器件的優點,即電流大、損耗低、控制簡單。
②MCT(MOS控制晶閘管):新型MOS與雙極復合型器件,采用集成電路工藝,在普通晶閘管結構中制作大量MOS器件,通過MOS器件的通斷來控制晶閘管的通斷,其缺點是不好關斷。
③IGCT(集成門極板換流晶閘管):用于巨型電力電子成套裝置中的新型電力半導體器件。
④IEGT(電子注入增強柵晶體管):耐壓達4KV以上的IGBT系列電力電子器件,通過采取增強注入的結構實現了低通態電壓,使大容量電力電子器件取得飛躍性發展。
⑤IPEM(集成電力電子模塊):將電力電子裝置的諸多器件集成在一起的模塊,實現了電力電子技術的智能化和模塊化。
⑥PEBB(電力電子模塊):在IPEM基礎上發展起來的可處理電能集成的器件或模塊。
功率半導體器件的分類
1 按照發展方向
功率器件按照發展方向可以分為小功率器件和大功率器件。小功率器件的發展方向以追求高集成度、高工作頻率和單位器件的小功率為目的的微電子技術,它是以集成電路為核心的;而大功率器件的發展方向以追求高的工作電流密度、短的開關時間和大的功率為目的的功率電子學。


圖11 比亞迪公司的BF1181小功率器件與英飛凌公司小功率大氣壓力傳感器器件
2 按照發展過程
功率器件按照其發展過程又可分為三類半導體器件,第一類器件是以晶閘管為代表的功率器件,該類器件一旦開啟過后就沒法停止了,因此壽命很短。第二類器件是一種可控型器件,如電力場效應晶體管,該類器件可控制器件的開啟關斷;第三類器件主要以絕緣柵雙極晶體管為代表,它將電力場效應晶體管高耐壓,驅動電路簡單的優點與雙極結型晶體管導通電壓小的優點結合于一體,因此,在高壓高功率電路中得到了廣泛應用。

圖13 晶閘管內部結構、示意圖及表示符號

圖14 電力場效應晶體管示意圖及表示符號

圖15 絕緣柵雙極晶體管示意圖及表示符號
3 按照半導體材料
功率器件按照半導體材料可分為第一代半導體、第二代半導體與第三代半導體。第一代半導體材料主要是指硅(Si)、鍺元素(Ge)半導體材料。而第二代半導體材料主要是指化合物半導體材料,如砷化鎵(GaAs)、銻化銦(InSb);三元化合物半導體,如GaAsAl、GaAsP;還有一些固溶體半導體,如Ge-Si、GaAs-GaP;玻璃半導體(又稱非晶態半導體),如非晶硅、玻璃態氧化物半導體;有機半導體,如酞菁、酞菁銅、聚丙烯腈等。第三代半導體材料主要以碳化硅(SiC)、氮化鎵(GaN)、氧化鋅(ZnO)、金剛石、氮化鋁(AlN)為代表的寬禁帶半導體材料。

圖16 第一、二、三代半導體材料及主要應用
4 按照電流流通路徑
功率器件按照電流流通路徑可以分為橫向功率器件與縱向功率器件。橫向功率器件指器件的漏電極和源電極都在器件上方,電流從漏極流向源極的路徑為橫向。而縱向功率器件指器件的源電極在器件的上方,而漏電流在器件的下方,電流從漏極流向源極的路徑為縱向。如圖為橫向功率器件的代表結構LDMOS(Lateral Double-diffused Metal-Oxide-Semiconductor)與縱向功率器件的代表結構VDMOS(Vertical Double-diffused Metal-Oxide-Semiconductor)元胞結構示意圖。

圖17 LDMOS(左)與VDMOS(右)元胞電流路徑示意圖
功率LDMOS與VDMOS相對于普通MOS多了一個漂移區N-Drift,同時MOS的P-sub相當于LDMOS與VDMOS器件的P-body區域, P-body通過P+區域與源電極相連,因此LDMOS與VDMOS的電流路徑相對于普通MOS多了一個漂移區。漂移區的存在增大了器件的電阻,但在電流流通時,漂移區兩端就可承受電壓,因此LDMOS與VDMOS有較高的擊穿電壓。
功率半導體器件清洗
為應對能源危機和生態環境惡化等問題,世界各國均在大力發展新能源汽車、高壓直流輸電等新興應用,促進了大功率電力電子變流裝置的廣泛應用。大功率變流裝置的可靠性對這些應用而言十分重要。裝置的可靠性與其核心器件IGBT密切相關。
目前,大量的IGBT仍在采用傳統的正溴丙烷等溶劑清洗清洗,隨著對環保的管控和對產品可靠性的要求不斷提高,原有的傳統溶劑清洗已不能滿足IGBT清洗。對此,合明提出新型的IGBT清洗方案。
合明科技半水基清洗工藝解決方案,采用合明科技專利配方,可在清洗IGBT凹槽內存在大量的錫膏殘留的同時去除金屬界面高溫氧化膜,更含有保護芯片獨特的材料;配方材料親水性強,清洗后易于用水漂洗干凈。
歡迎使用合明科技半水基清洗劑清洗IGBT功率器件。
以上便是IGBT功率器件清洗劑廠,IGBT功率器件的DCB襯底功能介紹,希望可以幫到您!
合明科技運用自身原創的產品技術,滿足芯片封裝工藝制程清洗的高難度技術要求,打破國外廠商在行業中的壟斷地位,為芯片封裝材料全面國產自主提供強有力的支持。
推薦使用合明科技水基清洗劑產品。
下一篇:電子制成清洗中在線清洗劑監測系統
 
                         
                         
                         
                        